
Xy lanh quay SMC CRB2BW20-180S – Góc Quay 180°, Đường Kính 20mm, Gắn Mặt Bích
Mã sản phẩm: CRB2BW20-180S
Thương hiệu: SMC Corporation (Nhật Bản)
🔧 Thông số kỹ thuật
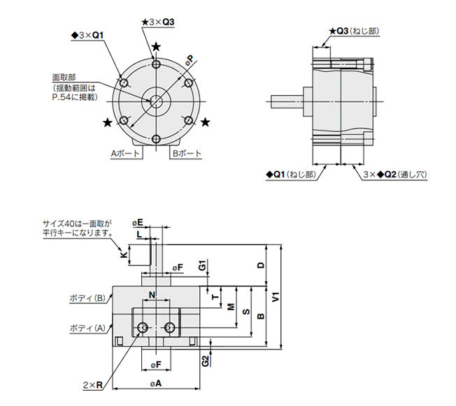
- Loại: Xy lanh quay (Rotary Actuator – Vane Type)
- Góc quay: 180 độ
- Đường kính piston: 20 mm
- Trục đầu ra: Double shaft, dạng mặt phẳng
- Kiểu lắp đặt: Gắn mặt bích (flange type)
- Áp suất làm việc: 0.2 – 0.7 MPa
- Nhiệt độ hoạt động: -10°C đến 70°C
✅ Đặc điểm nổi bật
- Thiết kế nhỏ gọn, dễ dàng lắp đặt
- Mô-men xoắn đầu ra lớn
- Độ chính xác cao khi dừng vị trí
- Có thể gắn cảm biến hành trình
- Thích hợp cho tự động hóa công nghiệp
📦 Ứng dụng
- Hệ thống robot công nghiệp
- Máy đóng gói, máy dán nhãn
- Trạm xoay trong dây chuyền lắp ráp
- Băng chuyền, bàn xoay tự động
🛠️ HƯỚNG DẪN LẮP ĐẶT XY LANH QUAY SMC CRB2BW20-180S
🔹 1. Kiểm tra trước khi lắp đặt
Trước khi lắp, hãy kiểm tra:
-
Đúng mã sản phẩm (CRB2BW20-180S)
-
Góc quay 180 độ có phù hợp với yêu cầu thiết kế không
-
Loại trục đầu ra: trục đôi mặt phẳng (double shaft – flat) hay loại khác
-
Cổng khí nén đúng loại (Rc, NPT, G) – không rò rỉ
-
Có cần gắn cảm biến hành trình hay không (tùy chọn)
🔹 2. Lắp đặt vào máy / bệ đỡ
Cấu hình “W” (mặt bích):
-
Sử dụng các lỗ ren gắn mặt bích đã có sẵn (thường là 4 lỗ x M4 hoặc M5).
-
Dùng bu lông đúng kích cỡ (đã chỉ định trong datasheet).
-
Đảm bảo bề mặt lắp phẳng và vuông góc với trục để tránh sai lệch và mài mòn sớm.
-
Không siết bu lông quá lực, gây nứt hoặc cong vênh bệ đỡ.
Lưu ý: Nếu sử dụng gá trục hoặc cơ cấu truyền động, cần căn tâm chính xác trục ra với bộ phận được nối (ví dụ: bánh răng, tay đòn, cơ cấu xoay…).
🔹 3. Nối khí nén
-
Dùng ống và fitting đúng tiêu chuẩn, nối vào 2 cổng khí nén (PORT A và PORT B).
-
Áp suất hoạt động khuyến nghị: 0.2 – 0.7 MPa.
-
Sử dụng bộ lọc – điều áp – bôi trơn (FRL) trước khi cấp khí vào thiết bị.
-
Kiểm tra chiều quay của xy lanh sau khi cấp khí.
🔹 4. Điều chỉnh góc quay (nếu cần)
-
Một số model CRB2BW20-180S có vít điều chỉnh góc quay (ở hai đầu xy lanh).
-
Sử dụng lục giác nhỏ để vặn vít giới hạn (stopper screw) → điều chỉnh từ 170° ~ 190°.
-
Vặn vít vào để giảm góc quay, vặn ra để tăng góc quay trong giới hạn cho phép.
-
Siết lại đai ốc khóa sau khi điều chỉnh.
🔹 5. Kiểm tra hành trình và rò rỉ
-
Cấp khí thử để kiểm tra độ mượt khi quay, không kẹt, không rò rỉ khí.
-
Nếu có cảm biến, kiểm tra hoạt động phát hiện vị trí góc quay.
🔹 6. Cố định trục ra
-
Trục ra dạng mặt phẳng (flat) cần được gắn khớp nối chắc chắn.
-
Tránh tải hướng trục quá mức (load trên trục) để tăng tuổi thọ.
-
Không được dùng xy lanh để chịu lực va đập mạnh trực tiếp.
📌 Lưu ý an toàn khi lắp đặt:
-
Không tháo rời xy lanh khi còn áp suất bên trong.
-
Không vận hành khi chưa cố định chắc chắn thiết bị.
-
Luôn ngắt khí và điện khi bảo trì.
-
-
https://thietbitudonghoavp.com/san-pham/旋转气缸-xy-lanh-quay-crb2bw20-180s/
Từ khóa: xy lanh quay, CRB2BW20-180S, xy lanh SMC, rotary actuator, bộ truyền động quay, xy lanh góc quay 180 độ, tự động hóa công nghiệp








Đánh giá
Chưa có đánh giá nào.